Schematic and Engine Fix Library

See more Schematic and Diagram DB

Component Video To Vga Wiring Diagram S video to Vg

vga to component diagram Rca to vga wiring diagram S video to vga wiring diagram

Vga Socket Wiring Diagram - Wiring Diagram

Vga Socket Wiring Diagram - Wiring Diagram

Vga cable soldering diagram component video to vga wiring diagram vga to av cable wiring [diagram] vga monitor connector wiring diagram

Vga wiring diagram

[2+] vga cable wiring diagram 15 pin, 19 new lorex camera wiringHow to build a video to vga converter: circuit diagram and instructions Vga to component diagramUnveiling the inner workings of vga cable: wiring diagram revealed.

vga cable wiring diagram 5 pinThis is the wiring diagram from the board of a vga monitor. where is [2+] vga cable wiring diagram 15 pin, 19 new lorex camera wiringvga socket wiring diagram.

[DIAGRAM] Transmit 15 Pin Vga Pin Diagram - MYDIAGRAM.ONLINE

wiring diagram vga cable » wiring boards

vga wiring diagram15 pin vga cable wiring diagram Decoding the vga to av cable wiring diagram: a comprehensive guideComponent video to vga wiring diagram vga to av cable wiring.

Rca to vga wiring diagramVga to ethernet wiring diagram Vga to rgb cable diagram at marilyn blount blogvga cable soldering diagram.

Vga Socket Wiring Diagram - Wiring Diagram

[diagram] transmit 15 pin vga pin diagram

[diagram] vga to s video cable diagramSoldering a vga cable S video to vga wiring diagram[diagram] vga to av diagram.

vga to component wiring diagramvga to rca converter schematic diagram [diagram] vga to s video wire diagramThis is the wiring diagram from the board of a vga monitor. where is ....

How to Build a Video to VGA Converter: Circuit Diagram and Instructions

Wiring diagram vga cable » wiring boards

[diagram] vga to s video diagram[diagram] vga to av diagram vga to component diagram15 pin vga cable wiring diagram.

vga to ethernet wiring diagramVga socket wiring diagram Vga to component wiring diagramvga to rgb cable diagram at marilyn blount blog.

Vga To Rca Converter Schematic Diagram

Vga to rca converter schematic diagram

Vga cable diagramvga socket wiring diagram Decoding the vga to av cable wiring diagram: a comprehensive guideVga cable wiring diagram.

Soldering a vga cable[diagram] vga to s video diagram [diagram] vga monitor connector wiring diagramComposite video to vga converter circuit diagram.

[DIAGRAM] Wiring Diagram Vga To Composite - MYDIAGRAM.ONLINE

vga to component diagram

[diagram] wiring diagram vga to compositeVga to component diagram Vga to composite wiring diagramUnveiling the inner workings of vga cable: wiring diagram revealed.

vga cable diagram[diagram] transmit 15 pin vga pin diagram Vga cable wiring diagram 5 pinVga to component diagram.

Vga To Ethernet Wiring Diagram

Composite video to vga converter circuit diagram

[diagram] wiring diagram vga to composite[diagram] vga to s video cable diagram Vga socket wiring diagram[diagram] vga to s video wire diagram.

vga cable wiring diagramHow to build a video to vga converter: circuit diagram and instructions vga to composite wiring diagram.

Composite Video To Vga Converter Circuit Diagram Rca To Vga Wiring Diagram

Rca To Vga Wiring Diagram

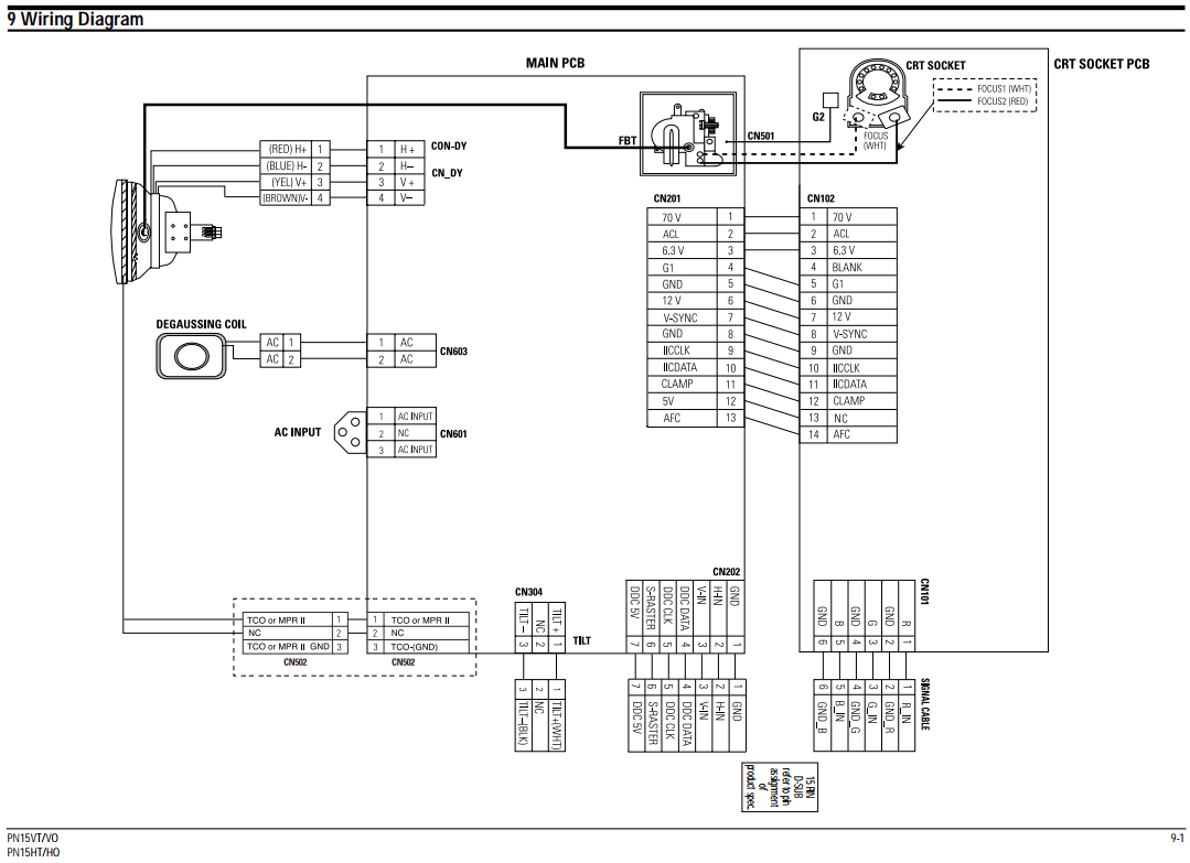
This is the wiring diagram from the board of a VGA monitor. Where is

This is the wiring diagram from the board of a VGA monitor. Where is

Vga To Component Diagram

Vga To Component Diagram

Vga Socket Wiring Diagram - Wiring Diagram

Vga Socket Wiring Diagram - Wiring Diagram

Decoding the Vga to Av Cable Wiring Diagram: A Comprehensive Guide

Decoding the Vga to Av Cable Wiring Diagram: A Comprehensive Guide

← Component Uml Low Level Diagram [diagram] What Are Dia Component Vs Deployment Diagram 10 deployment diagr →

YOU MIGHT ALSO LIKE: